
鹽酸儲罐液位計遠傳單元捆綁于測量筒體外側,當儲罐內液位發生變化時,會使帶有磁鋼的浮子跟隨液位移動。浮子移動使對應液位值的干簧管受到浮子磁場的作用閉合,阻值及電流發生變化,通過模電轉換電路輸出4~20mA信號,從而實現液位信號遠傳的目的。在防爆場合應用時,干簧電阻式液位變送器選用隔爆型殼體。
0517-86889882
18994586033
鹽酸儲罐液位計-江蘇凱晟儀表有限公司
鹽酸儲罐液位計遠傳單元捆綁于測量筒體外側,當儲罐內液位發生變化時,會使帶有磁鋼的浮子跟隨液位移動。浮子移動使對應液位值的干簧管受到浮子磁場的作用閉合,阻值及電流發生變化,通過模電轉換電路輸出4~20mA信號,從而實現液位信號遠傳的目的。在防爆場合應用時,干簧電阻式液位變送器選用隔爆型殼體。

由測量單元和變送單元兩部分組成。
本安防爆
a 帶本安防爆,上、下限開關輸出型
防爆開關由舌簧開關和帶繼電器觸點的安全柵組成,可向用戶直接提供一對常開或常閉觸點。如用戶需更多觸點可特殊設計訂貨。(圖三)
b 帶本安防爆遠傳型
適合使用于∏類電氣設備(工廠用)、C級氣體,表面溫度組別T4(135℃)。(圖四)
c 使用注意事項
①變送器外殼設有外接地,用戶使用時必須可靠接地。
②安全柵的使用應遵守有關使用說明內容。
③變送器與安全柵本安端的連接電纜為二芯屏蔽電纜,芯線截面積>0.5m,電纜允許分布電容為0.8μF。
本安防爆
防爆結構適用于有爆炸危險的 環境場合。
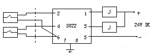
a帶本安防爆,上、下限開關輸出型
防爆開關由于干簧開關和帶繼電 器觸點的安全柵組成,可向用戶直接 提供一對常開或常閉觸點。如用戶需 更多觸點可特殊設計訂貨。接線見 圖六

圖六
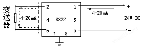
b帶本安防爆遠傳型
適合使用于II類電氣設備(工廠 用)、C級氣體,表面溫度組別T4 (135℃)。
接線見圖七。

鹽酸液位計結構原理
1.就地指示型
磁浮子液位計是根據液體的浮力和磁性耦合作用的原理設計制造的。當被測容器中的液位上升、下降時,液位計腔體中的浮子也隨之升降(見結構原理圖)。浮子內的磁鋼通過磁耦合傳遞到現場指示器,用紅白兩色(液紅氣白)醒目直觀地指示出容器內的液位或界位,即當液位上升時,指示器由白色轉為紅色,當液位下降時,指示器由紅色轉為白色,指示器的紅、白交界處為容器內介質液(界)位的實際高度。還可通過選配的液位變送器和液位開關實現遠距離檢測和控制。

頂裝式磁浮子液位計安裝在地下儲罐、儲槽或容器的頂部,浮子隨液位(或界面)上、下移動,通過連桿頂部的磁鋼驅動指示器,用紅白兩色(液紅氣白)醒目直觀地指示出容器內的液位或界位。也可通過選配的液位變送器和液位開關實現遠距離檢測和控制。
2.液位開關
液位開關安裝于腔體外側,量程范圍內可任意調節控制位置,單臺液位計可安裝上、下限液位報警開關和多個報警。
液位計腔體內的磁浮子隨液位的變化上下移動,當磁浮子由下而上到達液位開關時設定點時,磁浮子內磁鋼產生的磁場驅動液位開關動作(吸合或斷開),磁浮子繼續上升,開關保持該狀態不變;當磁浮子由上而下到達液位開關設定點時,磁場再次驅動液位開關轉換狀態并保持,因此開關具有穩態記憶功能。
3.液位變送器
液位變送器分為干簧管式和磁致伸縮式兩種形式,捆綁于腔體外側。
干簧管式液位變送器由傳感和轉換兩部分組成。當磁性浮子隨液位上下移動時,對應于液位位置的干簧管受磁浮子內磁場的作用吸合,電阻鏈阻值發生變化,液位的變化轉換成4~20mA標準電流信號輸出,從而實現對液位的顯示、控制、調節和報警。
磁致伸縮式液位變送器測量管內有一根磁致伸縮線,借助微處理器控制的傳感器電路,沿磁致伸縮線發射電流脈沖,從而在磁致伸縮線周圍產生一個環形磁場。磁浮子內部的磁鋼驅使磁致伸縮線沿軸向磁化。兩個磁場疊加處會產生一個扭轉脈沖,并沿磁致伸縮線傳遞到傳感器頂部,脈沖傳送時間被電路單元獲取并計算,從而確定被測液位的位置。傳感器將液位的變化轉換成4~20mA標準電流信號輸出,從而實現對液位的顯示、控制、調節和報警。其優點時是測量精度*。
技術參數
1.就地指示型
測量范圍:300~6000mm(6000mm以上分段定制);頂裝式300~3000mm
指示精度:±10mm
介質溫度: 0~150℃(普通型)
壓力等級:≤6.3MPa
介質密度:≥0.4g/cm3
介質密度差:≥0.16g/cm3
介質粘度:≤150cP(對于粘度大和易結晶的介質,可選伴熱夾套或電伴熱)
接液材質:304、316、321、316L、TA2等(其它材質可定制)
連接法蘭:DN25(側裝式)、DN150(頂裝式) HG/T20592-2009(歐洲體系)、
HG/T20615-2009(美洲體系)或用戶。
排污閥接口:Rc1/2、NPT1/2內螺紋(或用戶)
伴熱夾套接口:G1/2″外螺紋或用戶。
2.液位開關
輸出信號: 常開或常閉(SPDT觸點)
觸點容量: 220V AC 1A (普通型、隔爆型)、24V DC 50mA (本安型)
精 度: ±5mm
環境溫度: -40~80℃
出線口: M20×1.5內螺紋或NPT1/2
防爆標志: 隔爆型 Ex dⅡCT4
本安型Ex iaⅡCT4
本安型敷設電纜的電感、電容量不超過4.2mH、0.13μF,本安型配用LB878S、LB978S等安全柵。
防護等級:IP65
3.液位變送器
3.1 干簧管式液位變送器
測量范圍:300~6000mm(6000mm以上分段定制)
基本誤差:±10mm
輸出信號:4~20mA DC
電源電壓;24V DC
環境溫度:-40~80℃
出線口:M20×1.5 內螺紋或NPT1/2
防爆標志: 隔爆型 Ex dⅡCT4
本安型Ex iaⅡCT4
本安型敷設電纜的電感、電容量不超過4.2mH、0.13μF,本安型配用LB878S、LB978S等安全柵。
防護等級:IP65
3.2 磁致伸縮式液位變送器
測量范圍:300~6000mm(6000mm以上分段定制)
基本誤差:±1mm
輸出信號:4~20mA DC
電源電壓;24V DC
環境溫度:-40~80℃
介質溫度:-40~100℃(常溫型)、0~280℃(高溫型)
出線口:M20×1.5 內螺紋或G3/4
防爆標志: 隔爆型 Ex dⅡCT6
本安型Ex iaⅡCT6
本安型敷設電纜的電感、電容量不超過4.2mH、0.13μF,本安型配用LB878S、
LB978S等安全柵。
防護等級:IP65
鹽酸液位計選型:
UHZ- | 磁浮子液位計 | 系 列 號 | ||||||||
A | 普通型:壓力等級≤6.3MPa, 溫度:0~150℃ | 基本形式 | ||||||||
Y | 液位 | 物位形式 | ||||||||
J | 界位 | |||||||||
1 | 1.6MPa | 壓力等級 | ||||||||
2 | 2.5MPa | |||||||||
3 | 4.0MPa | |||||||||
4 | 6.3MPa | |||||||||
A | Class150(2.0MPa) | |||||||||
B | Class300(5.0MPa) | |||||||||
X | 其它壓力等級 | |||||||||
1 | 側側裝 | 安裝方式 | ||||||||
2 | 頂裝式 | |||||||||
3 | 側側裝頂部指示器 | |||||||||
N | 不帶液位變送器 | 變 送 器 | ||||||||
G | 帶干簧管式液位變送器 | |||||||||
C | 帶磁致伸縮式液位變送器 | |||||||||
N | 不帶液位開關 | 液位開關 | ||||||||
H | 帶上限液位開關 | |||||||||
L | 帶下限液位開關 | |||||||||
M | 帶上、下限液位開關 | |||||||||
X | 其它設定點液位開關 | |||||||||
N | 無防爆 | 防爆形式 | ||||||||
D | 隔爆型 | |||||||||
A | 本安型 | |||||||||
-W1 | 套筒式伴熱夾套 | 伴熱方式 (可選項) | ||||||||
-W2 | 活動式伴熱夾套 | |||||||||
-W3 | 電伴熱(自限溫) | |||||||||
UHZ- | A | J | B | 1 | G | M | D | -W1 | ||
